• Koło pasowe zębate HD40-5M15 SIT

Stan Nowy
43.20
43.20
38.02 38.02 cena z kodem PROMO
Najniższa cena z 30 dni przed promocją:
30.91 38.02
szt. Do przechowalni
Opinie
Wysyłka w ciągu 4 dni
Cena przesyłki 12
GLS automaty 24/7 i punkty odbioru 12
Kurier DHL POP odbiór w punkcie 13
Kurier DHL 25
Kurier GLS 25
Kurier DHL pobranie 30
Kurier GLS pobranie 35
Dostawa Tir 2500
Dostępność Mało
Waga 0.15 kg

Zamówienia na email: biuro@neronpila.pl

Zostaw telefon
producent SIT
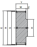
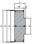
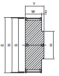
wymiary 0 x 62,52 x 20,5
Waga 0,532 kg
bo - szerokość paska [mm] 15
cecha z piastą
cecha koło z obrzeżami
cecha koło z nakiełkami
cecha na życzenie wykonujemy pełną obróbkę CNC wg wzoru lub rysunku
E [mm] 71
H [mm] 38
liczba zębów [szt.] 40
materiał stal węglowa C45 / 1.0503 / AISI1045
S [mm] 62,52
typ produktu koło pasowe zębate
W [mm] 20,5
Y [mm] 28
Z - głębokość [mm] 7,5
wykonanie 1
profil 5M
R [mm] 63,66
Nie ma jeszcze komentarzy ani ocen dla tego produktu.
Podpis
E-mail
Zadaj pytanie
  • Płatności

skypaybaner1(3).png